Шафа низьковольтна секційна РУ 0,4 кВ
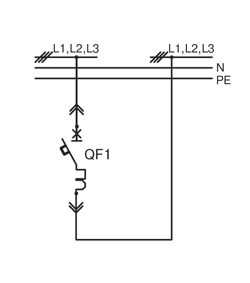
Шафа низьковольтна секційна забезпечує секціонування збірних шин.
У шафі може бути зібрана схема АВР - з самоповерненням або без самоповернення в початкове положення.
Загальний вигляд і габаритні розміри, мм

Схеми головних кіл керування шаф РУНН

| Тип | Тип вимикача | Номінальний струм розчеплювача викл., А | Струм термічної стійкості збірних шин протягом 1 с, кА | Габаритні розміри (ВхШхГ), мм |
|---|---|---|---|---|
| EU-ШНС-2.16.1-2b-УЗ | S400NJ | 400 | 50 | 2100х400х400 |
| EU-ШНС-2.17.1-2b-УЗ | S630CE | 630 | 50 | 2100х400х400 |
| EU-ШНС-2.18.1-2b-УЗ | AR208S | 800 | 65 | 2100х600х800 |
| EU-ШНС-3.19.1-2b-УЗ | AR212S | 1250 | 65 | 2100х600х800 |
| EU-ШНС-3.20.1-2b-УЗ | AR216S | 1600 | 65 | 2100х800х800 |
| EU-ШНС-3.21.1-2b-УЗ | AR325S | 2500 | 85 | 2100х800х800 |
| EU-ШНС-3.22.1-2b-УЗ | AR332S | 3200 | 85 | 2100х800х800 |
| EU-ШНС-3.23.1-2b-УЗ | AR440S | 4000 | 100 | 2100х1000х800 |
обладнання може розміщуватися в складі вступної комірки
Тип комутаційних апаратів:
- Висувні або втичні виконання
- З моторизованим приводом або без нього